Котел 150 кВт на дровах в Таразе

150 кВт котел на дровах
Котел на дровах 150 кВт
Чертеж котла на дровах 150 кВт с колосниками
Котел на дровах 150 кВт с колосниками чертеж
Котел на дровах 150 кВт водогрейный
Водогрейный котел 150 кВт на дровах
Котел на дровах 150 кВт промышленный
Промышленный котел на дровах 150 кВт
Шибер газохода к котлу 150 кВт на дровах
Шибер газохода котла на дровах 150 кВт
Котлы на дровах КВД 150 кВт
Котлы КВД 150 кВт на дровах
Котел 150 кВт на дровах - обмуровка
Обмуровка котла на дровах 150 кВт
Котел 150 кВт на дровах - изготовление
Изготовление котла на дровах 150 кВт
Котлы 150 кВт на дровах - производство
Производство котлов на дровах 150 кВт
Котел 150 кВт на дровах - топка с охлаждаемыми колосниками
Топка с охлаждаемыми колосниками котла на дровах 150 кВт
Котел КВД-150 кВт на дровах - колосниковая топка
Колосниковая топка котла на дровах 150 кВт
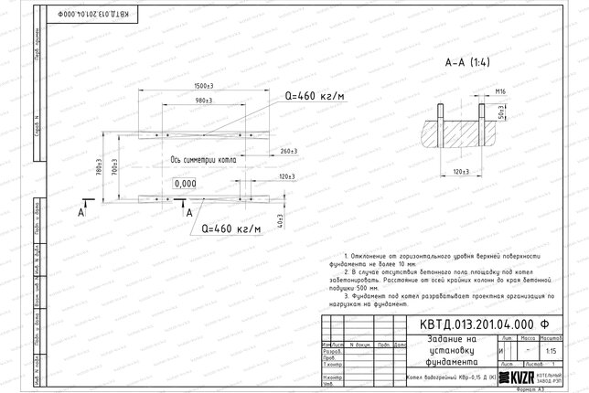
Чертеж фундамента котла на дровах 150 кВт с колосниками
Котел на дровах 150 кВт с колосниками фундамент
150 кВт котел на дровах
Чертеж котла на дровах 150 кВт с колосниками
Котел на дровах 150 кВт водогрейный
Котел на дровах 150 кВт промышленный
Шибер газохода к котлу 150 кВт на дровах
Котлы на дровах КВД 150 кВт
Котел 150 кВт на дровах - обмуровка
Котел 150 кВт на дровах - изготовление
Котлы 150 кВт на дровах - производство
Котел 150 кВт на дровах - топка с охлаждаемыми колосниками
Котел КВД-150 кВт на дровах - колосниковая топка
Чертеж фундамента котла на дровах 150 кВт с колосниками
Цена
2 688 720 ₸
От 2 688 720 ₸ с доставкой до г.
Логотип WhatsApp Связаться
по WhatsApp
  • Котел для работы на дровах, досках, поддонах и других крупных кусковых отходах
  • Объемная и высокая топка для загрузки большого количества дров при одной закладке
  • Возможно изготовление дверок по индивидуальным размерам для удобной загрузки топлива

Технические характеристики

МаркаКотел 150 кВт на дровах
ВидВодогрейный
Тип отопительного котлаТвердотопливный
БрендHEATEXPERT
ТипКотел КВД
Вид топкиРучная, Колосники, ОУР
Максимальная тепловая мощность0.15 МВт
Максимальная тепловая мощность150 кВт
Максимальная тепловая мощность0.13 Гкал
Диапазон регулирования мощности50-100 %
ТопливоТвердое, Дрова
Низшая теплота сгорания проектного топлива2440 кКал/кг
Влажность топлива40 %
КПД котла на ДРОВАХ, не меннее80 %
Расход ДРОВ среднечасовой за отопительный сезон37.3 кг/ч
Расход ДРОВ среднечасовой за отопительный сезон0.08 м³/ч
Расход ДРОВ при максимальной нагрузке котла65 кг/ч
Расход ДРОВ при максимальной нагрузке котла0.14 м³/ч
Расход условного топлива23 кг/ч
Минимальная температура воды на входе в котел55 °С
Максимальная температура воды на выходе из котла115 °С
Давление воды, не более0.3-0.6 (3-6) МПа (кгс/см²)
Номинальный расход теплоносителя5 м³/ч
Расход теплоносителя через котел min-max4-6 м³/ч
Гидравлическое сопротивление при номинальном расходене более 0.07 (0.7) МПа (кгс/см²)
Аэродинамическое сопротивление50 (5) Па (мм. вод. ст.)
Разряжение в топочной камере20-40 (2-4) Па (мм. вод. ст.)
Объем уходящих газов720 м³/ч
Температура уходящих газов220 °С
ТягаУравновешенная
Водяной объем котла250 л
Объем топочной камеры0.91 м³
Размер топочной камеры, длина*ширина*высота930х700х1400 мм
Активная площадь решетки горения0.65 м²
Присоединительные размеры по водяному тракту50 Ду
Присоединительные размеры газохода уходящих газов, ширина*высота / сечение175х175 / 0.03 мм/м²
Габаритные размеры котла, длина*ширина*высота1820х1200х2000 мм
Масса1000 кг
Конструкция котлаВодотрубная
Количество контуровОдноконтурный
РазмещениеНапольный
Тип камеры сгоранияОткрытый
УправлениеЭлектронное
Принцип работы твердотопливного котлаКлассический
ЭнергонезависимыйНет
Тип питанияТрехфазное
Встроенный циркуляционный насосНет
Встроенный расширительный бакНет
ЭнергоэффективностьВысокая
Отапливаемая площадьот 860 до 1600 м²
Отапливаемый объемот 2600 до 5000 м³
Размеры корпуса котла, длина*ширина*высота мм

Твердотопливный котел на дровах 150 кВт в Таразе

Промышленный отопительный котел на дровах мощностью 150 кВт нагревает воду температурой 115 °С, применяется для отопления и горячего водоснабжения маленьких и больших помещений и зданий. Используется в котельных с ручными топками.

Водогрейный котел 150 подходит для сжигания дров, поддонов, досок и других древесных кусковых отходов. Большой объем топочной камеры и оптимальная высота обеспечивает полное выгорание топлива. Объемная зона загрузки и горения позволяет укладывать большое количество дров при одной закладке.

Конструкция дровяного котла 150 кВт

Стальной водонагревательный дровяной котел 150 кВт - напольный, горизонтальный с ручной топкой. Передняя нижняя часть теплоагрегата – это чугунная колосниковая или стальная водоохлаждаемая топка. В задней части трубной системы установлены конвективные пакеты. Наружная изоляция выполняется стальными листами с огнестойкими плитами. Для очистки конвективной части имеется люк. На фронтовой плите устанавливаются две дверки, расположенные одна над другой.

Топочная часть

Топочная камера нагревательного котла 150 кВт на дровах выполнена из стальных водоохлаждаемых панелей для предотвращения деформации конструкции. Газоплотное исполнение топки исключает присосы холодного воздуха и выбивание горячих газов за пределы котла, повышая его КПД. В дополнительной поворотной камере, установленной на выходе из топки перед конвективным пучком происходит догорание легких и мелких топливных древесных частиц.

Колосниковая топка

Чугунные колосники собираются в решетку для поддержания слоя топлива, подачи воздуха в топку для горения и отделения зольника от топливной камеры. Отверстия в колосниках необходимы для удаления золы. Чтобы отверстия не забивались, снизу они расширяются. Дрова забрасываются на решетку через верхнюю дверцу. Верхняя загрузка способствует равномерному заполнению топочной камеры и контролю процесса горения. Под колосниками находится зольный короб с дверкой для чистки.

Водоохлаждаемая топка

Водоохлаждаемая топка состоит из труб наполненных водой, между которыми приварены полосы металла с отверстиями. Отверстия способствуют равномерному распределению воздуха по всей площади. Маленький размер отверстий не дает провалиться в зольник недогоревшему топливу. Дрова находятся в топке до полного их прогорания. Охлаждение колосников предохраняет их от перегрева и прогорания.

Конвективная часть

Конвективная поверхность производственного водотрубного котла 150 кВт на дровах выполнена из плотных регистров, вставленных друг в друга в шахматном порядке. Это обеспечивает значительную нагревательную площадь и высокий коэффициент передачи тепла. В связи с этим горячие дымовые газы подвергаются охлаждению до 180-200 °С.

Гидравлическая схема котла

Конструкция твердотопливного дровяного котла 150 кВт для отопления предполагает минимальные требования к водоподготовке. Скорость движения воды в трубах вызывает турбулизацию водного потока, что препятствует отложению солей и образованию накипи на стенках труб. Коллекторы котла снабжены многочисленными перегородками, которые не допускают образование застойных зон, возникновение теплового напряжения в трубах и перегрев.

Купить дровяной котел 150 кВт

Для того, что бы купить котел на дровах 150 кВт в Таразе вы можете сделать заявку по телефону +7-7172-69-59-73, либо оформить заявку онлайн. Менеджеры дадут консультацию по подбору вспомогательного оборудования для выбранных вами моделей и рассчитают стоимость доставки. Транспортирование котлоагрегата и вспомогательного оборудования до объекта осуществляется автомобильным транспортом.

Комплект поставки

Затвор ДУ 50
Затвор Ду 50
2 штуки
Колосники котлов
Колосник 840x220
3 штуки
Клапан обратный
Клапан обратный
1 штука
Манометр МП 160
Манометр МП 160
2 штуки
Кран трехходовой ДУ 15
Кран Ду 15
2 штуки
Термометр ТТЖО
Термометр ТТЖО
2 штуки
Оправа термометра ОПТ
Оправа ОПТ
2 штуки
Вентиль Ду 15
Вентиль Ду 15
5 штук
Вентиль Ду 20
Вентиль Ду 20
10 штук

Дополнительно потребуется

Насос К консольный
К 50-32-125
Цена 313 025 тг.
Насос К консольный
К 50-32-125а
Цена 308 412 тг.
Насос TD
Насос TD32-33G2 (3 кВт)
Цена 931 167 тг.
Насос CHL
Насос CHL2-40 (0.55 кВт)
Цена 330 159 тг.
Дымосос ДН 3.5
Цена 368 381 тг.

Похожая продукция

Котел 150 кВт дрова уголь
Цена 1 746 350 тг.
Угольный котел 150 кВт
Цена 1 634 320 тг.
На опилках котел 150 кВт
Цена 8 646 080 тг.
200 кВт котел на дровах
Цена 2 438 300 тг.

Сертификаты товара

Сертификат на водогрейные котлы на твердом и жидком топливе
Сертификат на водогрейные котлы на твердом топливе

Собственное производство

Котельный завод производит
  • Паровые котлы от 300 кг до 2.5 тонны пара в час
  • Промышленные водогрейные котлы от 150 КВт до 4 МВт на всех видах топлива
  • Механические топки ТШПМ, шурующая планка и ТЛПХ, ленточное полотно прямого хода
  • Циклоны для очистки воздуха и дымовых газов для производств и промышленных отраслей
  • Транспортеры и системы топливоподачи и шлакоудаления
Подробнее о производстве
Собственное производство
Смотреть видео
с производства